| |
| |
 |
|
|
| |
| |
| |
| |
- °¨¤O¡G1¡ã3HP¡A¤f®|:1.5"-5KªkÄõ¡C
- ²GÅé·Å«×¡G-20¢J¡ã150¢J¡C
- ³Ì¤j¤J¤fÀ£¤O¡G2kg/cm2¡C
- §÷½è¿ï¾Ü¡GSUS304¡BSUS316¡C
- À°®ú¸Ë°t¿ï¾Ü¡G¦P¶b¦¡¡BÁp¶b¦¡¡C
- ¶b«Ê¾ó½¦¿ï¾Ü¡GNBR¡BVITON¡BFSI¡BPTFE¡C
- ¶b«Ê¿i±¿ï¾Ü¡GºÒºë¡BSIC¡BTC¡C
- ¬V¾ã¡B¯Â¤ô¡B¤Æ¤u¡B¹q¤l·~¡B²GÅé´`Àô¡C
|
|
 |
|
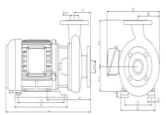
Type |
Dimensions in mm. |
A |
B |
C |
D |
E |
F |
G |
H |
J |
K |
L |
M |
N |
O |
P |
40EC |
260 |
105 |
140 |
170 |
44 |
63 |
90 |
130 |
30 |
203 |
413 |
335 |
310 |
1.5 |
1.5 |
50EC |
260 |
105 |
140 |
170 |
44 |
63 |
90 |
130 |
30 |
203 |
413 |
335 |
310 |
2” |
2” |
|
«¬¸¹ |
¤f®| |
RPM |
H=´µ{M
Q=¤ô¶qLPM |
¤J¤f |
¥X¤f |
40EC251.5 |
1.5” |
1.5” |
2900 |
H |
5 |
10 |
15 |
20 |
25 |
27 |
|
Q |
375 |
350 |
272 |
176 |
65 |
|
|
40EC261.5 |
1.5” |
1.5” |
3500 |
H |
5 |
10 |
15 |
20 |
27 |
33 |
|
Q |
388 |
364 |
289 |
190 |
70 |
|
|
40EC262.2 |
1.5” |
1.5” |
2900 |
H |
5 |
10 |
15 |
20 |
25 |
28 |
30 |
Q |
|
|
|
380 |
350 |
310 |
270 |
40EC252.2 |
1.5” |
1.5” |
3500 |
H |
5 |
10 |
15 |
20 |
27 |
33 |
|
Q |
|
400 |
350 |
280 |
|
|
|
|
|
|
|
|
| |
| |
| |
| |
- °¨¤O¡G2¡ã3HP¡A¤f®|:2"-5KªkÄõ¡C
- ²GÅé·Å«×¡G-20¢J¡ã150¢J¡C
- ³Ì¤j¤J¤fÀ£¤O¡G2kg/cm2¡C
- §÷½è¿ï¾Ü¡GSUS304¡BSUS316¡C
- À°®ú¸Ë°t¿ï¾Ü¡G¦P¶b¦¡¡BÁp¶b¦¡¡C
- ¶b«Ê¾ó½¦¿ï¾Ü¡GNBR¡BVITON¡BFSI¡BPTFE¡C
- ¶b«Ê¿i±¿ï¾Ü¡GºÒºë¡BSIC¡BTC¡C
- ¬V¾ã¡B¯Â¤ô¡B¤Æ¤u¡B¹q¤l·~¡B²GÅé´`Àô¡C
|
|
 |
|
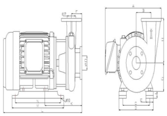
Type |
Dimensions in mm. |
A |
B |
C |
D |
E |
F |
G |
H |
J |
K |
L |
M |
N |
O |
P |
50BS261.5 |
312 |
90 |
140 |
190 |
44 |
75 |
90 |
135 |
30 |
204 |
431 |
335 |
310 |
2 |
2 |
«¬¸¹ |
¤f®| |
RPM |
H=´µ{M
Q=¤ô¶qLPM |
¤J¤f |
¥X¤f |
50BS251.5 |
2” |
2” |
2900 |
H |
5 |
10 |
15 |
20 |
25 |
30 |
Q |
375 |
350 |
272 |
176 |
65 |
|
50BS261.5 |
2” |
2” |
3500 |
H |
5 |
10 |
15 |
20 |
27 |
30 |
Q |
388 |
364 |
289 |
190 |
70 |
|
|
|
|
|
|
|
|